Accesorios hidráulicos
cuerpos de conexión,
acoplamientos y uniones de conexión enchufables
de longitudes y conexiones variables
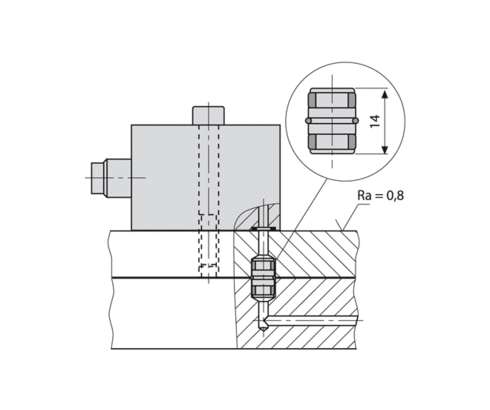
Las longitudes de tubo flexible deberían seleccionarse lo más generosamente posible para evitar las dobladuras, los puntos de fricción, los retorcimientos, los esfuerzos de tracción y los de aplastamiento así como los radios de curvatura inadmisibles. Deben protegerse contra las virutas calientes.
Presión contra reventón 2000 bar, radio mínimo de curvatura de 100 mm.
Para más informaciones véase DIN 20066.
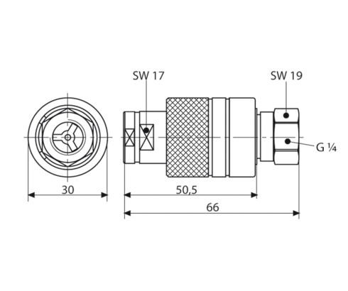
Conexiones: véase figura 2
Los enchufes rápidos de conexión permiten conectar y desconectar de una forma automática, son de construcción robusta. El proceso de conexión o desconexión se realiza estando sin presión. El desplazamiento del casquillo de retención en las direcciones de conexión y desconexión correspondientes puede efectuarse cómodamente con una sola mano.
con válvulas antirretorno pilotadas
rosca de conexión:
● 2 x G 3/8 + 6 x G 1/4
● 8 x G 3/8
para placas y uniones de pletina
máx. 500 bar, paso nominal 5 mm,
ejecución corta o larga
| Referencia | Datos CAD | |
|---|---|---|
|
Referencia
|
||
|
Referencia
|
||
|
Referencia
|
Propiedades
| |
|
Referencia
|
Propiedades
| |
|
Referencia
|
Propiedades
| |
|
Referencia
|
Propiedades
| |
|
Referencia
|
Propiedades
| |
|
Referencia
|
Propiedades
| |
|
Referencia
|
Propiedades
| |
|
Referencia
|
Propiedades
|
Aproveche nuestra zona de login gratuita:
- Descarga de datos CAD
- Descarga de instrucciones de servicio
¡Bienvenido de nuevo! Inicie sesión con su cuenta de usuario ya existente.'



